一品楼qm论坛最新活动,深圳罗湖qm论坛紫兰轩论坛北京验证,一品楼品凤楼论坛官网,甘肃凤楼论坛最新消息新闻

珠海灵科自动化科技有限公司

中文English

自动化生产线 大型机器人系列
  • 自动化生产线 大型机器人系列

大型智能机器人

简介:大型万能智能机器人,常应用在点焊、搬运、组装等各种应用领域;

特点:作业范围大,干涉范围小,运动性能好;预留气管、电气等接口,轻松连接集成设备;手腕高负载、高扭矩、高惯量设计;智能化管理系统和力觉传感器配套,可链接多台机器人协调作业;

产品简介 / Introduction
产品特点 Product feature

01作业范围大,干涉范围小,运动性能好

02预留气管、电气等接口,轻松连接集成设备

03机械臂高速运动不晃动,作业平滑流畅

04手腕高负载、高扭矩、高惯量设计

05手臂能实现高速运动,快速定位,提升生产效率

06智能化管理系统和力觉传感器配套,可链接多台机器人协调作业

机型介绍 Model Introduction

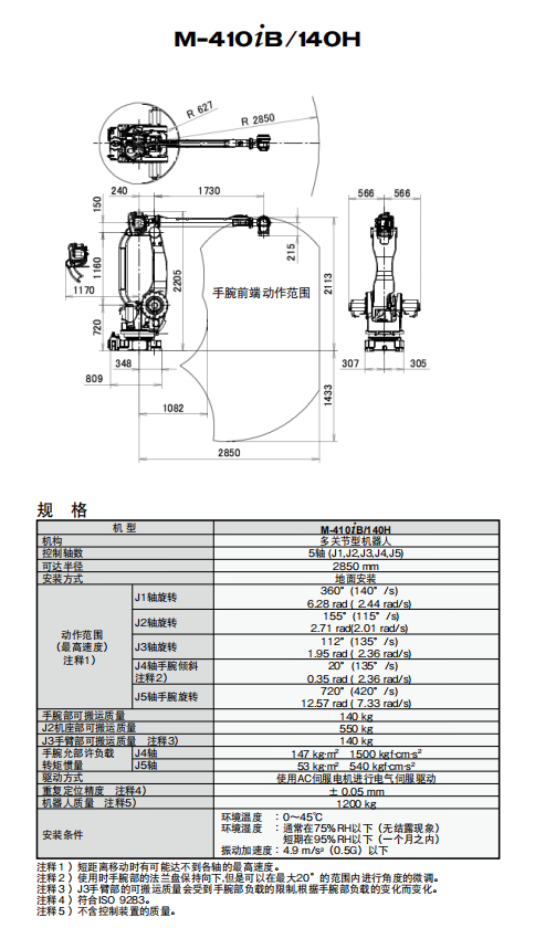
M-410iB/140H

负载:140.0 kg 
控制轴数:5 
可达半径:2850mm

M-410iB/700

负载:700.0 kg 
控制轴数:4
可达半径:3143mm

M-410iC/110

负载:110.0 kg 
控制轴数:4 
可达半径:2403mm


.

M-410iC/185

负载:185.0 kg 
控制轴数:4 
可达半径:3140mm

M-410iC/315

负载:315.0 kg 
控制轴数:4 
可达半径:3143mm

M-410iC/500

负载:500.0 kg 
控制轴数:4
可达半径:3143mm


.

R-2000iB/200T

负载:200.0 kg 
控制轴数:6 
可达半径:2208mm

R-2000iB/100P

负载:100.0 kg 
控制轴数:6 
可达半径:3540mm

R-2000iB/125L

负载:125.0 kg 
控制轴数:6 
可达半径:3100mm


.

R-2000iC/165R

负载:165.0 kg 
控制轴数:6 
可达半径:3095mm

R-2000iC/165F

负载:165.0 kg 
控制轴数:6 
可达半径:2655mm

R-2000iC/210R

负载:210.0 kg 
控制轴数:6 
可达半径:3095mm


.

R-2000iC/210F

负载:210.0 kg 
控制轴数:6 
可达半径:2655mm

R-2000iC/210FL

负载:210.0 kg 
控制轴数:6 
可达半径:3100mm

R-2000iC/220U

负载:220.0 kg 
控制轴数:6 
可达半径:2518mm


.

R-2000iC/270R

负载:270.0 kg 
控制轴数:6 
可达半径:3095mm

R-2000iC/270F

负载:270.0 kg 
控制轴数:6 
可达半径:2655mm

R-2000iD/165FH

负载:165.0 kg 
控制轴数:6 
可达半径:2605mm


.

R-2000iD/210FH

负载:210.0 kg 
控制轴数:6 
可达半径:2605mm

M-900iA/150P

负载:150.0 kg 
控制轴数:6 
可达半径:3507mm

M-900iA/200P

负载:200.0 kg 
控制轴数:6 
可达半径:3507mm


.

M-900iB/280

负载:280.0 kg 
控制轴数:6 
可达半径:2655mm

M-900iB/280L

负载:280.0 kg 
控制轴数:6 
可达半径:3103mm

M-900iB/360

负载:360.0 kg 
控制轴数:6 
可达半径:2655mm


.

M-900iB/360E

负载:360.0 kg 
控制轴数:6 
可达半径:2655mm

M-900iB/400L

负载:400.0 kg 
控制轴数:6 
可达半径:3704mm

M-900iB/700

负载:700.0 kg 
控制轴数:6 
可达半径:2832mm


.

M-1000iA

负载:1000.0 kg 
控制轴数:6 
可达半径:3253mm

M-2000iA/900L

负载:900.0 kg 
控制轴数:6 
可达半径:4683mm

M-2000iA/1200

负载:1200.0 kg 
控制轴数:6 
可达半径:3734mm


技术规格 technical specifications

1

热品推荐/ Hot product
自动化生产线 大型机器人系列