一品楼qm论坛最新活动,深圳罗湖qm论坛紫兰轩论坛北京验证,一品楼品凤楼论坛官网,甘肃凤楼论坛最新消息新闻

珠海灵科自动化科技有限公司

中文English

EXR210-2700 埃夫特防爆机器人
  • EXR210-2700 埃夫特防爆机器人

埃夫特防爆机器人

适用场景:可应用于搬运、分拣、组装、打磨、抛光、喷涂等应用的粉尘或者气体防爆场景

特点:基于埃夫特成熟平台研发设计,稳定可靠;无电池编码器,全密封设计,线缆全包裹,完整腔体的闭环防爆控制,更安全;防爆等级:Ex db ib pxb llC T5 Gb、Ex ib pxb tb lllC T100'C Db 可用于1区及21区危险环境;

产品简介 / Introduction
产品特点 Product feature

01基于埃夫特成熟平台研发设计,稳定可靠

02无电池编码器,全密封设计,线缆全包裹,完整腔体的闭环防爆控制,更安全

03防爆等级:Ex db ib pxb llC T5 Gb、Ex ib pxb tb lllC T100'C Db 可用于1区及21区危险环境

04可应用于搬运、分拣、组装、打磨、抛光、喷涂等应用的粉尘或者气体防爆场景




技术规格 technical specifications

防爆参数


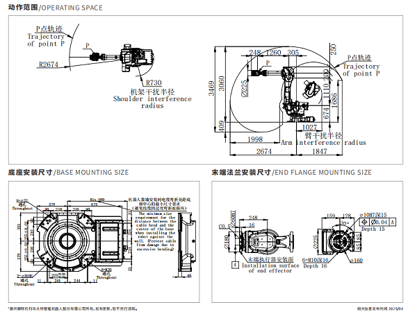
动作范围

Operating ranges

防爆机器人工作范围


机型介绍 Model Introduction

ESR10-600Z 20

可达半径:600mm
控制轴数:4
手腕可搬运质量:22kg

ER12-1400

可达半径:1391mm
控制轴数:6
手腕可搬运质量:12kg

ER25-1800

可达半径:1850mm
控制轴数:6
手腕可搬运质量:25kg


.

ER210-2700

可达半径:2674mm
控制轴数:6
手腕可搬运质量:210kg

GR6100-3100

可达半径:3074mm
控制轴数:6
手腕可搬运质量:10kg

EXR210-2700

可达半径:2674mm
控制轴数:6
手腕可搬运质量:210kg


.

热品推荐/ Hot product
GR6100-3100 埃夫特喷涂机器人
EXR210-2700 埃夫特防爆机器人