一品楼qm论坛最新活动,深圳罗湖qm论坛紫兰轩论坛北京验证,一品楼品凤楼论坛官网,甘肃凤楼论坛最新消息新闻

珠海灵科自动化科技有限公司

中文English

ER210-2700 埃夫特大型机器人
  • ER210-2700 埃夫特大型机器人

埃夫特大型机器人

适用场景:可应用于点焊、螺柱焊、搬运、码垛等各种场景。

适用行业:适用于汽车零部件、光伏、食品饮料、建材、仓储物流等行业。

特点:得益于高刚性的结构,配合高速智能码垛工艺包,效率提升20%,帮助客户多快好省的完成工作;集成了多个行业专用工艺包,配合软PLC和各种总线接口,帮助客户轻松面对各种工艺挑战。

产品简介 / Introduction
产品特点 Product feature

01得益于高刚性的结构,配合高速智能码垛工艺包,效率提升20%,

02集成了多个行业专用工艺包

03配合软PLC和各种总线接口,帮助客户轻松
面对各种工艺挑战。

04可应用于点焊、螺柱焊、搬运、码垛等各种场景

05适用于汽车零部件、光伏、食品饮料、建材、仓储物流等行业



技术规格 technical specifications

大型机器人


动作范围

Operating ranges

大型机器人工作范围


机型介绍 Model Introduction

ESR10-600Z 20

可达半径:600mm
控制轴数:4
手腕可搬运质量:22kg

ER12-1400

可达半径:1391mm
控制轴数:6
手腕可搬运质量:12kg

ER25-1800

可达半径:1850mm
控制轴数:6
手腕可搬运质量:25kg


.

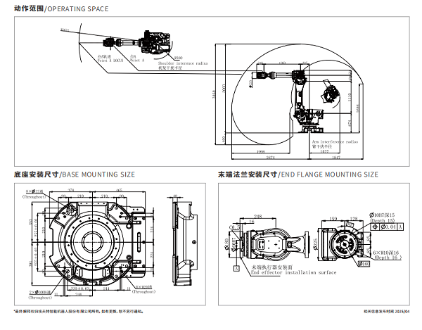
ER210-2700

可达半径:2674mm
控制轴数:6
手腕可搬运质量:210kg

GR6100-3100

可达半径:3074mm
控制轴数:6
手腕可搬运质量:10kg

EXR210-2700

可达半径:2674mm
控制轴数:6
手腕可搬运质量:210kg


.

热品推荐/ Hot product
ER210-2700 埃夫特大型机器人